线控旋转LED灯是一款可通过线控调节照明位置的LED灯(纵向角度),结构稳定、可靠。可运用在工程起重机、港口机械等大型工程机械上。
产品操控:
此款系统通过一个三档开关来控制电机的进和退,电机的线性速度为10mm/S,通过齿轮机构转化运动状态后(直线转旋转),轴的角速度为19°/s,运转缓慢,可操控性好。只需控制开关,即可实现对灯的照射区域进行微调。
产品特点:
1、防水防尘等级高,关键部件防锈好,导轨采用不锈钢导轨,轴承采用双面防尘圈轴承。
2、结构稳定可靠,强度好。
3、可调角度大,此产品调节角度为159°,旋转到最大位置后将自动限位。
4、采用机械限位+限位开关限位,安全性高。
5、操作简单,可实现微调。
6、定位矩大,抗震性强。
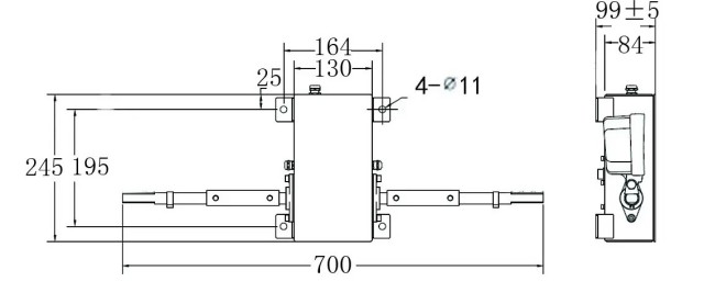
产品规格:
推荐给朋友
查找公众账号:KST
扫描二维码

转发资讯
点击右上角按钮-->分享到朋友圈
查看往期内容
点击“KST——详细资料——查看历史消息”
技术交流
欢迎您给我们留言,您的每一个观点我们都会用心回复
联系方式
公司电话:0731-89723072
传真号码:0731-89723071
官网:www.kst-elec.com
公司地址:长沙市高新区文轩路27号麓谷钰园A4栋